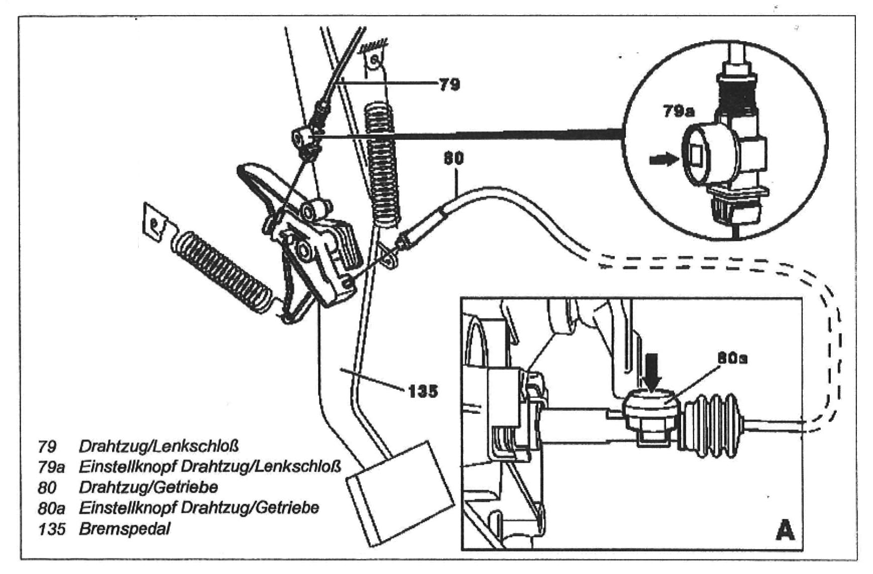
Datei:Drahtzüge für Parksperrenverriegelung einstellen .jpg
Zur Navigation springen
Zur Suche springen
Größe dieser Vorschau: 800 × 527 Pixel. Weitere Auflösung: 1.738 × 1.144 Pixel.
Originaldatei (1.738 × 1.144 Pixel, Dateigröße: 194 KB, MIME-Typ: image/jpeg)
Drahtzüge für Parksperrenverriegelung einstellen
Dateiversionen
Klicke auf einen Zeitpunkt, um diese Version zu laden.
| Version vom | Vorschaubild | Maße | Benutzer | Kommentar | |
|---|---|---|---|---|---|
| aktuell | 18:49, 27. Sep. 2023 | 1.738 × 1.144 (194 KB) | Henning (Diskussion | Beiträge) |
Dateiverwendung
Die folgenden 2 Seiten verwenden diese Datei: