Wichtige Prüf- und Einstellarbeiten an Automatikgetrieben im R129
MB-Automatikgetriebe im Fahrzeug R129
Auszug aus MB-Werkstattliteratur über die wichtigsten Prüf- und Einstellarbeiten
Zusammenstellung Karl Kübler & Gerhard Schulz
MB-Automatikgetriebe eingebaut im Fahrzeug R129
| Pos. | Getriebegeneration | Getriebebaumuster | Getriebetyp | Anzahl Ölwannenschrauben | Produktionszeitraum | Motoren |
| 1 | 3 | 722.3 | W4A 040 | 6 | 07/89 - 08/95 | 6 + 8 Zylinder |
| 2 | 3 | 722.5 | W5A 030 | 6 | 07/89 - 05/96 | 6 Zylinder M104 |
| 3 | 3 | 722.3 | W4A 055 | 6 | 05/91 -- 08/95 | 12 Zylinder M120 |
| 4 | 3 | 722.4 | W4A 020 | 6 | 08/93 — 05/96 | 6 Zylinder M104-E28 |
| 5 | 4 | 722.6 | W5A 330 | 6 | 06/96 — bis Serienauslauf | 6 Zylinder |
| 6 | 4 | 722.6 | W5A 580 | 6 | 09/95 — bis Serienauslauf | 8 + 12 Zylinder |
Schulz 21.06.2022
Kennzeichnung der mechanisch/hydraulisch gesteuerten Automatikgetriebe

Ziffern im Getriebegehäuse eingeprägt. Siehe Trennfläche Getriebegehäuse / Ölwanne
- Getriebe — Teilenummer: 107 270 34 01
- Getriebe — Baumuster: 722.325
- Getriebe — Seriennummer: 02-756251

Kennzeichnung der elektronisch gesteuerten Automatikgetriebe

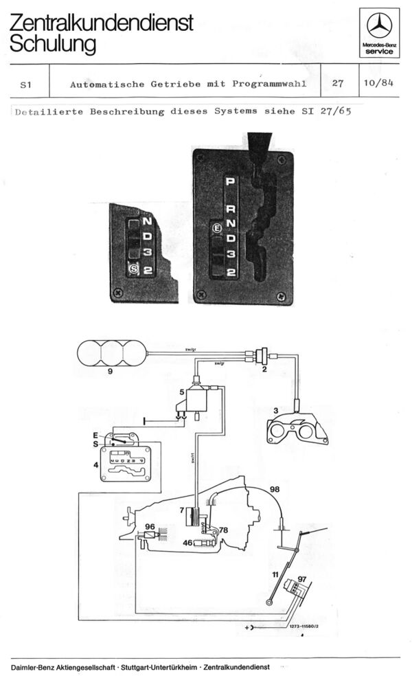
Wählhebelstellungen - Varianten
Mit dem Wählhebel ist es möglich, den automatischen Ablauf der Schaltungen besonderen Betriebsbedingungen anzupassen. Er kann dazu in 6 bzw. 7 verschiedene Positionen geschaltet werden.



Ab 09/1981 Fahrzeuge mit 8-Zylinder-Motoren
Geänderte Hinterachs-Übersetzung (lange Übersetzung) Wählhebelkulisse mit zusätzlicher Position „B"

Parkspersperrenverriegelung - Einstellung System Shiftlock
Bei eingelegter Wählhebelstellung "P" und abgezogenem Zündschlüssel ist es nicht mehr möglich, den Wählhebel in eine andere Position zu schalten. Dies bedeutet, der Zündschlüssel kann nur bei eingelegter Wählhebelsteilung "P" abgezogen werden.

Funktion der Parksperrenverriegelung
Wenn Wählhebelstellung "P" nicht eingelegt ist, kann der Zündschlüssel nicht mehr abgezogen werden.

Voraussetzung für das Einstellen
Der Bowdenzug ist am Lenkungsschloss eingeschraubt und im Fahrzeug knickfrei bis zur Mittelschaltung fest verlegt.
1. Einstellen
| Den Wählhebel auf Stellung "N" und den Zündschlüssel auf Stellung 1 bringen. |
| Kugelnippel (43) in den Sperrhebel (44) einklipsen. |
| Die Rohrschelle (41) mit Bowdenzug (40) in den Halter am Lagerbock einführen und die Befestigungsschraube (42) mit einen Drehmoment von 5 Nm festziehen. |
2. Prüfen
| a | Wählhebel in Stellung "N" |
| Der Schieber im Lenkungsschloss muss den Zündschlüssel vor der Stellung 0 sperren und der Zündschlüssel kann nicht abgezogen werden. | |
| b | Wählhebel in Stellung "P" |
| Den Zündschlüssel auf Stellung 0 drehen, der Sperrhebel (44) muss in die Kurvenscheibe (48) einrasten und der Zündschlüssel kann abgezogen verden. Der Wählhebel ist in Stellung "P" verriegelt. | |
| c | Zündschlüssel in Stellung 1 |
| Der Sperrhebel ist aus der Kurvenscheibe ausgerastet, mit dem Wählhebel kann man in eine andere Position schalten und die Parksperre ist außer Funktion. |
Hinweis:
Bei einer Wiederholung der Einstellung muss darauf geachtet werden, dass der Bowdenzug in der Rohrschelle gut gleitet.
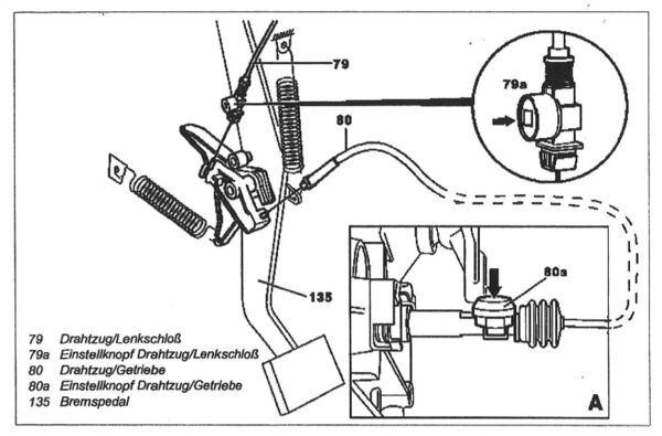
Parksperrenverriegelung
Die Anordnung der Drahtzüge und Sperrhebel hat sich geändert.
Drahtzug einstellen
| Wählhebel in Stellung „P" und Zündschlüssel in Stellung „0" bringen. |
| Schraube für Drahtzug Lenkschloss (40L) lösen und Drahtzug Lenkschloss in Pfeilrichtung ziehen, bis der Sperrhebel Lenkschloss (44L) am Nocken (48) anliegt. Schraube mit 5 Nm festziehen. |
| Schraube für Drahtzug Bremspedal (40B) lösen und Drahtzug Bremspedal in Pfeilrichtung ziehen, bis der Sperrhebel Bremspedal (44B) am Nocken (48) anliegt. Schraube mit 5 Nm festziehen. |

- 40B Drahtzug Bremspedal
- 40L Drahtzug Lenkschloss
- 44B Sperrhebel Bremspedal
- 44L Sperrhebel Lenkschloss
- 48 Nocken
Wählstange einstellen - Mittelschaltung
- Wählstange (5) am Bereichswahlhebel (6) aushängen.
- Bereichswahlhebel (6) und Wählhebel (1) auf „N" stellen, dabei beachten, dass zwischen Wählhebel (1) und „N"-Anschlag an der Kulissenplatte ca. 1 mm Spiel vorhanden ist.
- Wählstange (5) in der Länge so einstellen, dass sie spannungsfrei eingehängt werden kann;
- anschließend Kontermutter (4) wieder festziehen (Bild 1).

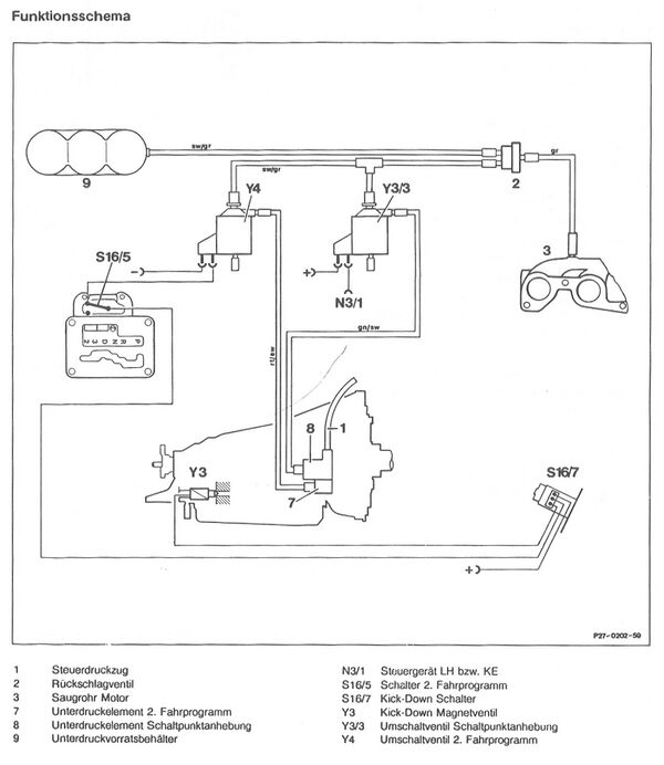
Steuerdruckzug einstellen
Prüfen: Motorregulierung richtig eingestellt.
Motor 104
Luftfilter abnehmen. Durch Drehen an der Einstellschraube (15) Steuerdruckzug so einstellen, dass die Spitzen der Zeiger sich gegenüberstehen.

Motor 119
Luftfilter abnehmen. Sechskantmuttern (6) an der Verbindungsstange (8) lösen.
Verbindungsstange (8) so verdrehen, dass die Spitzen der Zeiger sich gegenüberstehen.
Sechskantmuttern (6) festziehen.

Motor 120
Luftfilter abnehmen. Durch Drehen der Einstellschraube (15) den Steuerdruckzug so einstellen, dass sich die Spitzen der Zeiger gegenüberstehen.


Zweites Fahrprogramm mit Wahlschalter an Schaltkulisse "S" und "E"



Elektro-Umschaltventil

Unterdruck-Vorratsbehälter

System Schaltpunktanhebung 1-2 / 2-3 KAT-Aufheizung während der Warmlaufphase
Einsatz KAT
Über zusätzliches Magnetventil am Automatikgetriebe. Bei Bestromung des MV wird der Reglerdruck gesperrt und so eine Hochschaltung verhindert.
Einsatz zum späteren Zeitpunkt
Schaltpunktanhebung 1-2 / 2-3 mit Steuerdruckzug - über Unterdruck
Bedingung für die Schaltpunktanhebung 1-2 / 2-3
- Kühlmitteltemperatur < 60 °C
- Geschwindigkeit < 40 km/h
- Zeit bis max. 120 sek.

Neuerungen Automatisches Getriebe 722.3 / 722.4 / 722.5 ab Juni 1991
Sekundärpumpe entfällt
Hinweis:
Ein Notstart des Motors ist nicht mehr möglich. Abschleppen ist nur bis zu einer Geschwindigkeit von max. 50 km/h und einer Strecke von max. 50 km erlaubt.
Folgende Teile sind neu:
- Deckel (17) mit Dichtung (18)
Folgende Teile sind geändert:
- Großes Zwischenblech (14)
- Dichtung für großes Zwischenblech (19)

Folgende Teile entfallen:
- Schieber (66), der untere Deckel ist dafür nicht mehr bearbeitet. Ausgenommen 722.5: Schieber (66) wird als Verschlußstopfen eingebaut!
- Rückschlagventil (49) im unteren Deckel
- Rückschlagventil (67) in Ölverteilerplatte/ Getriebegehäuse

Mit diesem Änderungspaket bekommen die Getriebe neue ET-Nummern (siehe Tabellenbuch April 91).
Anmerkung:
Der Serieneinsatz ist identisch mit dem Serieneinsatz Schaltpunktanhebung mit Steuerdruckzug.
Schaltpunktanhebung mit Steuerdruckzug
- Alle Fahrzeuge mit KAT erhalten eine Getriebeschaltpunktanhebung mit Steuerdruckzug.
- Die Getriebeschaltpunktanhebung mit Magnetventil entfällt (ausgenommen Fahrzeuge mit M103 Schweiz und Schweden).
- Der Steuerdruckzug enthält das Unterdruckelement für 2. Fahrprogramm (7) und das Unterdruckelement für Schaltpunktanhebung (8).

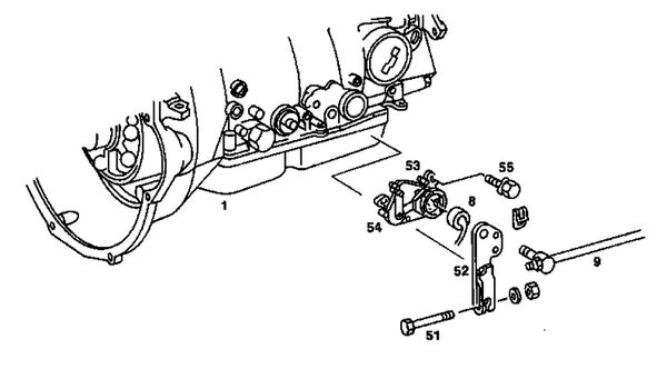
Steuerdruckzug aus- und einbauen

| 1. Verriegelungsblech (Pfeil) nach oben drehen. | ||||||||||||||||
| 2. Steuerdruckzug mit Unterdruckelementen vom Getriebegehäuse wegdrehen und aushängen. | ||||||||||||||||
3. Grundeinstellung durchführen: Maß "a" und "b" vom alten Steuerdruckzug auf den neuen übertragen.
| ||||||||||||||||
| 4. Abdeckkappe (12) aufstecken. Achtung: Gefahr von Wassereintritt! | ||||||||||||||||
| 5. Schieber (2) mit einem Haken herausziehen, bis er in Montagestellung einrastet. | ||||||||||||||||
| 6. Steuerdruckzug mit Unterdruckelement im Getriebe einhängen und einbauen. Auf korrekte Verriegelung achten! |
Startsperrschalter aus-, einbauen und einstellen

Stecker Startsperrschalter (8): Verriegelung nach oben drehen und mit zwei Schraubendrehern vorsichtig abdrücken (Ziffer 1, 2).
Schaltstange (9): nach Abnehmen der Klips-Sicherung aushängen (Ziffer 3).
Bereichswählhebel (52): nach Abschrauben der Sechskantschraube (51) abnehmen. Beim Einbau auf Eingriff des Mitnehmers (54) in den Bereichswählhebel achten (Ziffer 4).
Startsperrschalter (53): zum Ausbau Sechskantschrauben (55) abschrauben. Beim Einbau 4 mm Dorn durch Mitnehmer (54) und Fixierbohrung im Schaltgehäuse einstecken und Startsperrschalter fixieren (Ziffer 5).
Aus-, einbauen

1 Verriegelung für Stecker Startsperrschalter (8) lösen, dazu weißen Kunststoffring (Pfeil) nach oben in Pfeilrichtung drehen.
2 Stecker mit zwei Schraubendreher an dem Kabelabgang und an der Lasche vorsichtig abdrücken.
3 Schaltstange (9) nach Abnehmen der Klips-Sicherung aushängen.

4 Sechskantschraube (51) abschrauben und Bereichswählhebel (52) abziehen. Einbauhinweis: Bereichswählhebel so aufsetzen, daß der Mitnehmer (54) in den Hebel eingreift.

5 Beide Sechskantschrauben (55) herausdrehen und Startsperrschalter (53) abnehmen.
Einbauhinweis

Bereichswählhebel (52) in Position "N" stellen. 4 mm Splint oder Bohrer durch den Mitnehmer (54) in die Fixierbohrung im Schaltergehäuse einsetzen, danach Sechskantschrauben (55) anziehen. Fixierstift (Pfeil) herausziehen.
6 In umgekehrter Reihenfolge einbauen.
Prüfen der Schaltpunktanhebung

| 1. Am Umschaltventil (Y3/3) beide Unterdruckleitungen verbinden. Schaltpunktanhebung ist eingeschaltet! | ||||||
2. Bei Probefahrt prüfen in Wählhebelstellung D mit wenig Teilgas:
|
Hinweis: Einstellschraube (11) rechts drehen: Schaltpunktanhebung wird niedriger, links drehen: Schaltpunktanhebung wird höher
Schaltpunktanhebung ohne System 2. Fahrprogramm für USA/Japan

From 1991, i.e. from MY 1992, in Vehicles with catalytic-convertor, have been introduced:
- Vacuum operated system for increased upshift, and at the same time
- Deletion of secondary-pump
Hint:
The vehicles with engine M103 for (S) (CH) (DK) (N) (SF) they keep the system for increased upshift 2nd to 3rd with an aditional solenoid.
Condition for increased, vacuum operated upshift
- a) After engine start = 80 sec. time
- b) Coolant temperature 0° C to 50° C
- c) Vehicle speed up to approx. 50 km/h
Hint:
- Coolant temperature reaches 50°C before 80 sec. time and/or Vehicle-speed > 50 km/h, increased upshift is switched off.
- From MY 1991, increased shiftpoint is also activ during air-pump operation.
Gültig für Fahrzeuge:
- ohne System 2.Fahrprogramm „S" „E"
- für Abgasländer wie USA and Japan
Kickdownabschaltung und Anfahren im 1. Gang in Fahrstellung "3"
Schaltplan Fahrzeuge mit Motor 117 bis 08.1985 (nicht im R129)

| N23 | Schaltgerät, Anfahren 1. Gang |
| S16/1 | Startsperr- und Rückfahrlichtschalter |
| X26 | Kupplung 8 polig Rückfahrscheinwerfer |
| S30/1 | Kickdownschalter |
| Y 3 | Magnetventil automatisches Getriebe |
| L 2 | Geber elektronischer Tachometer |
| N16/4 | Kraftstoffpumpenrelais mit Abschaltung und Drehzahlbegrenzung |
| S60 | Schalter Wählhebelstellung „B" |
| a | Kombi-InstrumentTempomatenschluß |
| d | Anlasser Klemme 50 |
| e | Rückfahrscheinwerfer |
| f | Sicherung Klemme 15 |
| g | Zündstartschalter |
| h | elektronischer Tachometer |
Anlasssperrschalter mit 5 Kontakten

Getriebeüberlastschutz bei Motor 120
Automatisches Getriebe W4A055

Autornatisches Getriebe W4A055 BM 722.362
Das Getriebe W4A055 ist für den Motor 120 vorgesehen. Es ist gegenüber dem W4A040 verstärkt und auf das Eingangsdrehmoment von 550 Nm ausgelegt. Neu ist der Getriebeüberlastschutz für die Schaltungen 3-4 und 4-3.

Das Getriebe hat 2 Schalter Getriebeüberlastschutz.
- Die Schalter haben einen Widerstand mit 1 kOhm eingebaut (Kennzeichen 1K auf Sechskantfläche).
- S65/1 = Schalter am Widerlager B1 mit 1K
- S65/2 = Schalter am Widerlager B2 mit 1K
Funktion
Durch Öffnen bzw. Schließen der Schalter Getriebeüberlastschutz erhält das Zündsteuergerät EZL bei allen Schaltvorgängen des automatischen Getriebes ein Signal durch Verändern einer Spannung. Dieses Signal bewirkt bei bestimmten Motorzuständen eine Zündspätverstellung zur Motordrehmomentreduzierung.
Spannungsänderung durch Schaltvorgänge

Funktionsschema

Diagnose
Störungen des Getriebeüberlastschutzes werden als Fehler im Zündsteuergerät EZL abgelegt; siehe Diagnose-Handbuch Motor Band 2.
Prüfung der hydraulischen Drücke
Prüfgeräteumfang, gültig für alle MB-Automatikgetriebe von Produktion 1959 bis 1996.
Prüfgerät komplett mit Anschlussteilen für Modulier-, Regler- und Arbeitsdruck.
- 1 Manometer 0-10,0 bar und
- 1 Manometer 0-25,0 bar
Bestellnummer 123 589 04 21 00 (lieferbar über MB-Teilewesen)
Einzelteile dieses Prüfgeräteumfangs, gültig für Modulier- und Reglerdruck.
- Manometer 0 bis 10,0 bar Bestell - Nr. 123 589 04 21 20
- Druckschlauch Bestell - Nr. 123 589 04 21 18
- Rohrleitung Bestell - Nr. 123 589 04 21 12
- Anschlussstück Bestell - Nr. 123 589 04 21 02
Bei Anwendung dieser Manometer beachten:
- Manometer 0 bis 10 bar, für Test von Modulier- und Reglerdruck, (Druckbereich < 10 bar)
- Manometer 0 bis 25 bar, für Test von Arbeits- und Stufendruck, (Druckbereich 25 bar)

Druckwerte messen und einstellen

Hinweis
Zum Messen von Arbeitsdruck, Modulierdruck und Reglerdruck die Druckschläuche durch das Fenster der rechten Fahrertüre führen und mit der Scheibe festklemmen.
Druckschläuche dürfen nicht durchhängen oder am Auspuffrohr anliegen. Bei allen Einstellarbeiten am Fahrzeug, bei denen der Motor läuft, muss die Feststellbremse betätigt werden und der Wählhebel in Stellung „P" sein.
Bei Messungen im Stand mit eingelegter Fahrstellung muss zu der Feststellbremse zusätzlich die Betriebsbremse betätigt werden. Nach der Prüfung den Motor laufen lassen und Messstellen auf Dichtheit prüfen.
A. Modulierdruck messen
Hinweis
Diese Prüfung ist nur in folgenden Fällen notwendig:
1. Nach Austausch bzw. Aus- und Einbau der Modulierdruckdose.
2. Nach einer Getriebeinstandsetzung.
3. Bei zu weichen oder zu harten Schaltungen in allen Gängen.
| Unterdruckleitung | ...... | an der Modulierdruckdose ab- und anmontieren. |
| Manometer (Meßbereich bis 10 bar) | ...... | am Prüfanschluss "M" an-, abschließen.
Hinweis Beim Typ 202 Querbrücke am Getriebe lösen. |
| Gummikappe | ...... | von der Modulierdruckdose abnehmen, aufstecken. |
| Sicherungs-T-Schlüssel | ....... | aus den Sicherungsschlitzen herausziehen, hineinstecken und durch Verdrehen den Modulierdruck richtigstellen. (Jede Veränderung um eine Raste ergibt eine Druckänderung um ca. 0,2 bar) |
Reparaturhinweis
Einfließend ab 05/93 wird eine geänderte Modulierdruckdose eingebaut. Eine Manometerprüfung des Modulierdruckes ist im Regelfall nicht mehr erforderlich. Sollte im Reparaturfall jedoch eine weitergehende Korrektur des Modulierdruckes als 0,2 bar erforderlich sein, kann durch Abnehmen der Verschlusskappe (60b) der Modulierdruck wie bisher eingestellt werden. Beim Entfernen der Verschlusskappe wird diese zerstört und muss nach Abschluß der Arbeiten erneuert werden. Die neue Verschlusskappe muss nach Einstellung des vorgeschriebenen Modulierdruckes in der Grundstellung aufgedrückt werden.
Bei vorgeschriebenem Modulierdruck ist die Verschlusskappe in Stellung "Grundstellung" (A) angebaut. Durch Verdrehen der Verschlusskappe (60b) von Stellung "A" nach "B" ist es möglich, den Modulierdruck um 0,2 bar zu senken. Diese Korrektur wird durch Verdrehen bis zum Anschlag erreicht.

Mit Einsatz der neuen Modulierdruckdose wurde ebenfalls der Druckstift (59a) geändert.

B. Reglerdruck messen
| Manometer (Messbereich bis 10 bar) | ...... | am Prüfanschluss "MR" an- und abschließen.
Hinweis Beim Typ 202 Querbrücke am Getriebe lösen. |
| Probefahrt in Wählhebelstellung "D" | ...... | auf dem Rollenprüfstand oder auf der Straße durchführen. |
Hinweis Für alle Fahrzeuge gilt die einheitliche Formel: >0,5 bar bei v > 30 km/h. Weicht der angezeigte Wert ab oder wird kein Reglerdruck gemessen, Fliehkraftregler aus-, einbauen und reinigen, ggf. erneuern.
Hinweis für Fahrzeuge mit Magnetventil zur KAT-Aufheizung (Y 3/2).
Bei Fahrzeugen mit Getriebeschaltpunktanhebung durch Magnetventil (Y 3/2) muss die Druckleitung am Messanschluss für den Reglerdruck ("MR") abgeschraubt werden.

Einbauhinweis
- Halter für das Magnetventil (Y 3/2) am Getriebegehäuse lösen.
- Ölleitung (0) am Deckel Fliehkraftregler und Druckölleitung am Messanschluss Reglerdruck ("MR") abschrauben.
- Hohlschrauben mit neuen AI-Dichtringen ansetzen.
- Dann zuerst Druckölleitung (MR) festziehen.
- Danach Ölleitung (O) und Halter für das Magnetventil (Y 3/2) festziehen.

Unterdruckdosen für Automatikgetriebe der 3. Generation
Kennfarbe der Unterdruckdose beachten

Vorgehensweise bei Beanstandungen, Getriebe 722.3 / 722.4 / 722.5
Ursache ermitteln bzw. prüfen:
- Fehlerfreie Motorfunktion ist Voraussetzung!
- Ölniveau im Getriebe
- Ölzustand (schwarzfarben oder verbrannt riechend). Bei Bedarf Ölwanne abnehmen und Ablagerungen in der Ölwanne prüfen.
- Einstellung Steuerdruckgestänge bzw. Steuerdruckzug
- Zustand der Gummiteile an der Unterdruckdose, sowie Dichtigkeit der Unterdruckleitung von der Unterdruckdose zum Saugrohr des Motors
- Prüfung bei welcher Fahrzeuggeschwindigkeit die Gänge geschaltet werden, Geschwindigkeitsangaben siehe Tabellenbuch bzw. WIS, Grundregel: Bei ca. 60 km/h und wenig Gas sollte der 4. Gang geschaltet sein.
- Harte oder zu weiche bzw. rutschende Gangwechsel (Beanstandung aller oder nur einzelner Gangwechsel)
- Modulierdruck prüfen und bei Bedarf richtig stellen (nur sinnvoll, wenn alle Gangwechsel beanstandet werden). (Druckwerte siehe Tabellenbuch bzw. WIS)
- Bei Bedarf autorisierte MB-Werkstätten aufsuchen
Bei Bestellung von Ersatzteilen und Ermitteln von Reparaturdaten unbedingt:
Die gesamte Ziffernfolge, eingeschlagen im Getriebegehäuse, ermitteln:
- 10-stellige Teilenummer des Getriebes
- Getriebe-Baumuster 722.???
- Seriennummer (alle Ziffern)
Hinweis: Angaben der Datenkarte sind nicht ausreichend!!!
Technische Daten und Einstellwerte, Baumuster 722.3 / 722.4 / 722.5
| Pos. | Einstellwerte | Ölwanne 6 Schrauben | Hinweis |
| 1 | Steuerdruckzug | Drosselklappe geschlossen bzw. Leerlauf Steuerdruckzug auf spannungsfreie Montage einstellen | |
| 2 | Modulierdruck (Einstellwert) | Werte siehe MB-Literatur (Tabellenbuch) | Ermittlung über Getriebe-Baumuster + Getriebe-Teilenummer |
| 3 | Bremsband B1 (Losspiel) | 1,8 - 2,5 mm | Im Rep.-Fall bei 722.3 und 722.5 Empfehlung: selbsteinstellenden Kolben B1 verwenden |
| 4 | Bremsband B2 (Losspiel) | 5,5 - 6,0 mm | |
| 5 | Lamellenbremse B3, Losspiel | 1,5 - 2,0 mm | |
| 6 | Axialspiel vorderes Gehäuse | 0,8 mm | Bei demontiertem hinteren Gehäuse bzw. Abtriebsflansch |
| 7 | Axialspiel vorderes Gehäuse | 0,4 mm | Bei montiertem hinteren Gehäuse bzw. Abtriebsflansch |
| 9 | Axialspiel hinteres Gehäuse | 0,4 mm | Bei montiertem vorderen Gehäuse |
G.Schulz 10.10.2019
Reinigen ATF-Kühler, Spülen Drehmomentwandler, Absaugen ATF
- Reinigen des ATF-Kühlers
- Spülen der hydraulischen Kupplung bzw. des Drehmomentwandlers
- Aus- Einbau hydraulische Kupplung bzw. Drehmomentwandler
- Absaugen von ATF bei Überfüllung
Drehmomentwerte und Öleinfüllmengen Getriebe 722.3
| Benennung | Drehmoment (Nm) |
|---|---|
| Schraube Unterdruckdose an Getriebe | 8 |
| Schraube Sekundärpumpe an Getriebegehäuse | 8 |
| Mutter für Axialhalter-Fliehkraftregler | 6 |
| Ölablassschraube an der Ölwanne | 14 |
| Schraube Ölwanne an Getriebegehäuse | 8 |
| Schraube Öleinfüllrohr an Zylinderkopf | 8 |
| Schraube Öleinfüllrohr an Getriebegehäuse | 8 |
| Sechskantschraube M 10 zur Befestigung des Getriebes am Motor | 55 |
| Sechskantschraube oder Innensechskantschraube M 12 zur Befestigung des Getriebes am Motor | 65 |
| Schrauben zur Befestigung des Startsperr- und Rückfahrlichtschalters | 8 |
| Kick-down-Magnetventil | 20 |
| Verschlußschraube für Messstelle Modulier-, Regel- und Arbeitsdruck | 13 |
| Ölablassschraube am Drehmomentwandler | 14 |
| Schraube Drehmomentwandler am Mitnehmerblech | 42 |
| Schraube vorderer Getriebedeckel an Getriebegehäuse | 13 |
| Schraube Primärpumpe im vorderen Deckel | 20 |
| Schraube hinterer Getriebedeckel an Getriebegehäuse bzw. Adaptergehäuse | 13 |
| Schraube Schaltschiebergehäuse an Getriebegehäuse | 8 |
| Schraube unterer Deckel an Getriebegehäuse | 8 |
| Schraube Rastenfeder am unteren Deckel | 8 |
| Druckschalter Getriebe-Überlastschutz an Getriebegehäuse | 70 |
| Schraube Rastenplatte an Bereichswahlhebel | 8 |
| Bundmutter Abtriebsflansch an Abtriebswelle | 120 |
| Schraube Rastenplatte an Getriebegehäuse | 8 |
| Schraube Abstützflansch K2 an Getriebegehäuse | 11 |
| Hohlschraube Ölkühlerleitung an Wandler- und Getriebegehäuse | 34 |
| Getriebe: | Liter |
|---|---|
| 722.329/341/342/343/344/351/352/357/359/361/363/367/368/369/271 | |
| Neubefüllung: | 7,3 |
| Ölwechsel: | 6,2 |
| Getriebe: | Liter |
| 722.350/353/354/355/356/362/364/365/366/379 | |
| Neubefüllung: | 8,6 |
| Ölwechsel: : | 7,7 |
| Getriebe: | Liter |
| 722.372/380/382/384/385/394/396/397/398/399 | |
| Neubefüllung: | 7,3 |
| Ölwechsel: | 6,2 |
Elektronisch gesteuertes Automatikgetriebe 722.6xx
- Neu gestaltete Schaltkulisse und 8 Wählhebelpositionen
- Elektronisch gesteuertes 5-Gang -Automatikgetriebe
- 2 Rückwärtsgang-Übersetzungen wählbar
- Mit schlupfender Überbrückungskupplung im Wandler
- Ölmessstab für Getriebe als Sonderwerkzeug verfügbar
- Diagnose und Fehlersuche = Testgeräte erforderlich
- Anordnung EGS — Stecker
- Shiftlocksystem über 2 Kabelzüge
- Einstellung Shiftlocksystem

Getriebe 722.6 - Ölmessstab mit rotem Griff nur als Sonderwerkzeug verfügbar

Getriebe 722.6 - Anordnung EGS - Stecker

Parksperrenverriegelung Getriebe 722.6 - Anordnung und Einstellung

Drahtzüge für Parksperrenverriegelung einstellen 2.11.94
GETRIEBE 722.60 /61,
- 722.620 ## ab 0001681,
- 722.621 ## ab 0001977,
- 722.622 ## ab 0016287,
- 722.623 1624 /625 /6261627 /628 /629 /63 /66 /69
- Nicht bei Tippschaltung

Änderungshinweise
15.10.97 Reihenfolge der Arbeitsschritte geändert
| WICHTIG | Bei allen Einstellarbelten muss der Wählhebel in Position "P" stehen |
| Einstellen Drahtzug/Lenkschloss
Zur Einstellung des Drahtzuges/Lenkschloss muss der Drahtzug/Getriebe montiert sein. | |
| 1. | Feder am Einstellknopf (79a) vorspannen |
| 2. | Schlüssel im Lenkschloss in Position "0" drehen |
| 3. | Durch Drücken des Einstellknopfes (79a) (Pfeil), Drahtzug/Lenkschloss (79) einstellen |
| Einstellen Drahtzug/Getriebe | |
| 4. | Feder am Einstellknopf (80a) vorspannen |
| 5. | Schlüssel im Lenkschloss in Position "0" drehen. |
| 6. | Durch Drücken des Einstellknopfes (80a) (Pfeil), Drahtzug/Getriebe (80) einstellen
Bild A |
Drahtzüge für Parksperrenverriegelung aus-, einbauen, Getriebe 722.6

Drehmomentwerte und Öleinfüllmengen Getriebe 722.6
| Benennung | Drehmoment (Nm) |
|---|---|
| Ölablassschraube an der Ölwanne | 20 |
| Schraube Ölwanne an Getriebegehäuse | 8 |
| Schraube elektrohydraulische Steuereinheit an Getriebegehäuse (M6x30) | 8 |
| Schraube Magnetventile an Schaltplatte | 8 |
| Ölablassschraube am Drehmomentwandler | 16 |
| Schraube Drehmomentwandler an Mitnehmerblech | 42 |
| Schraube Ventilgehäuse an Schiebergehäuse (M6x30) | 8 |
| Schraube seitliche Deckel an Ventil- und Schiebergehäuse (M4x12) | 4 |
| Schraube Getriebegehäuse an Wandlergehäuse | 20 |
| Schraube Ölpumpe mit Lamellenbremse B1 an Wandlergehäuse | 20 |
| Schraube Lamellenbremse B1 an Wandlergehäuse | 8 |
| Schraube Lamellenbremse B2 an Getriebegehäuse | 16 |
| Schraube Rastenplatte an Bereichswahlhebel | 8 |
| Bundmutter Abtriebsflansch an Abtriebswelle | 200 |
| Uberwurfmutter Getriebeölleitung an Kühler | 20 |
| Hohlschraube Getriebeölleitung an Ölkühler | 25 |
| Schraube Mittelschaltung an Karosserie | 6 |
| Schraube Schaltkulisse an Lagerbockunterteil | 6 |
| Schraube Halter Schaltsperre an Lagerbockoberteil | 3,5 |
| Schraube Gestänge Parksperrenverriegelung an Getriebegehäuse | 8 |
| Schraube Schaltstange im Stangenkopf (M8x 10) | 12 |
| Getriebe: | Liter |
|---|---|
| 722.602/603 | |
| Neubefüllung: | 7,0 + 0,5 |
| Getriebe: | Liter |
| 722.610/611 | |
| Neubefüllung: | 8,0 |
| Getriebe: | Liter |
| 722.620/621 im Typ 129 | |
| Neubefüllung: | 8,2 + 0,5 |
| Getriebe: | Liter |
| 722.620/621 im Typ 140 | |
| Neubefüllung: | 8,6 + 0,5 |
| Getriebe: | Liter |
| 722.622/623/624/625/626/627/628/630/631/632/633/663/666/669 | |
| Neubefüllung: | 8,6 + 0,5 |
| Getriebe: | Liter |
| 722.630 im Typ 463 | |
| Neubefüllung: | 9,0 |







